- BIẾN TẦN
- BỘ LẬP TRÌNH PLC
- CẢM BIẾN
- MÀN HÌNH HMI
- MOTOR - DRIVER SERVO
- THIẾT BỊ ĐÓNG CẮT
- ĐỒNG HỒ ĐO ĐA NĂNG
- NÚT NHẤN - ĐÈN BÁO - CÔNG TẮC
- RƠ LE -RELAY
- DỊCH VỤ
- PHỤ KIỆN CHO TỦ ĐIỆN
- BỘ CHUYỂN ĐỔI TÍN HIỆU
- NGUỒN – POWER SUPPLY
Mô đun Analog FX3U-4AD - 4 kênh ngõ vào Analog cho PLC Mitsubishi
Mô đun Analog FX3U-4AD - 4 kênh ngõ vào Analog cho PLC Mitsubishi
Mô đun Analog FX3U-4AD là module mở rộng ngõ vào tương tự (analog input) được thiết kế dành cho các PLC thuộc dòng Mitsubishi FX3U Series. Module này cho phép PLC thu nhận và chuyển đổi tín hiệu tương tự từ cảm biến như điện áp và dòng điện thành tín hiệu số để xử lý trong hệ thống điều khiển tự động hóa. Đây là thành phần quan trọng khi bạn cần giám sát các biến analog như nhiệt độ, áp suất, lưu lượng và nhiều tín hiệu đầu vào trong nhà máy.
-
FX3U-4AD
-
334
- Thông tin sản phẩm
- Bình luận
🔎 Giới thiệu mô đun Analog FX3U-4AD
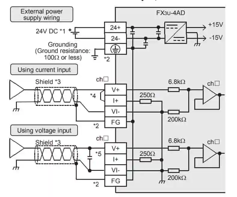
Mô đun FX3U-4AD được thiết kế để dễ dàng tích hợp vào PLC Mitsubishi FX3U và các dòng tương thích FX3GC, FX3G, FX3UC… giúp mở rộng hệ thống thu tín hiệu analog mà PLC chủ không có sẵn. Module cung cấp 4 kênh ngõ vào analog với khả năng nhận cả tín hiệu điện áp và dòng điện, hỗ trợ cho đa dạng cảm biến công nghiệp.
📊 Thông số kỹ thuật chính mô đun Analog FX3U-4AD
| Thông số kỹ thuật | FX3U-4AD |
|---|---|
| Số kênh ngõ vào analog | 4 kênh |
| Dãy tín hiệu ngõ vào | -10 ~ +10 V DC; 4 ~ 20 mA; -20 ~ +20 mA |
| Độ phân giải | 16 bit (dòng điện 15 bit) |
| Tốc độ chuyển đổi | ~500 µs/kênh |
| Điện trở đầu vào | ~250 Ω (dòng) / ~200 kΩ (áp) |
| Nhiệt độ làm việc | 0 °C – 55 °C |
| Lắp đặt | DIN Rail hoặc gắn trực tiếp vào PLC hệ FX |
| Thương hiệu | Mitsubishi Electric – Nhật Bản |


Mô đun chuyển đổi tín hiệu analog sang digital giúp PLC xử lý dữ liệu chính xác với độ phân giải cao, phù hợp cho các ứng dụng công nghiệp yêu cầu giám sát biến analog từ cảm biến.
✅ Ưu điểm nổi bật mô đun Analog FX3U-4AD
🔹 1. 4 kênh ngõ vào analog đa dạng
FX3U-4AD hỗ trợ đầu vào cả điện áp (-10V đến +10V) và dòng điện (4–20 mA / –20 đến +20 mA) — phù hợp với nhiều loại cảm biến analog tiêu chuẩn trong công nghiệp.
🔹 2. Độ phân giải cao
Với độ phân giải lên tới 16 bit (cho tín hiệu điện áp) và 15 bit (cho tín hiệu dòng), module đảm bảo thu dữ liệu chính xác, cải thiện chất lượng điều khiển và giám sát trong hệ thống tự động.
🔹 3. Tích hợp thuận tiện với PLC Mitsubishi
Được thiết kế để tương thích tốt với PLC FX3U và các dòng tương thích, module này kết nối dễ dàng thông qua các khe mở rộng, giúp hệ thống mở rộng nhanh chóng.
🔹 4. Tốc độ chuyển đổi nhanh
Tốc độ chuyển đổi tín hiệu nhanh (~500 µs/kênh) giúp đảm bảo dữ liệu analog được xử lý kịp thời, hữu ích cho các ứng dụng yêu cầu phản hồi nhanh.
📍 Ứng dụng thực tế mô đun Analog FX3U-4AD
Mô đun Analog FX3U-4AD được ứng dụng rộng rãi trong các hệ thống tự động hóa như:
-
🔧 Giám sát tín hiệu cảm biến nhiệt độ, áp suất, lưu lượng
-
🏭 Điều khiển số liệu analog từ cảm biến vào PLC
-
📊 Thu thập dữ liệu analog cho hệ thống SCADA/HMI
-
🚀 Tích hợp vào dây chuyền sản xuất yêu cầu nhiều tín hiệu tương tự
-
🧠 Hệ thống đo lường và điều khiển trend trong tự động hóa
📈 Vì sao nên chọn mô đun Analog FX3U-4AD?
✔ Thu thập tín hiệu analog chính xác với độ phân giải cao
✔ Hỗ trợ nhiều loại tín hiệu điện áp và dòng điện
✔ Tích hợp dễ dàng với PLC Mitsubishi FX3U
✔ Tốc độ chuyển đổi nhanh đáp ứng yêu cầu công nghiệp
✔ Phù hợp với các ứng dụng mes/giám sát dữ liệu thời gian thực
📌 Kết luận mô đun Analog FX3U-4AD
Mô đun Analog FX3U-4AD là giải pháp mở rộng ngõ vào tương tự 4 kênh đáng tin cậy cho hệ thống PLC Mitsubishi, giúp chuyển đổi tín hiệu analog từ sensor thành dữ liệu số để PLC xử lý. Với khả năng tương thích cao, độ phân giải tốt và thiết kế tiện lợi, module là lựa chọn tối ưu cho các ứng dụng tự động hóa công nghiệp đòi hỏi thu nhận tín hiệu analog chính xác.









