- BIẾN TẦN
- BỘ LẬP TRÌNH PLC
- CẢM BIẾN
- MÀN HÌNH HMI
- MOTOR - DRIVER SERVO
- THIẾT BỊ ĐÓNG CẮT
- ĐỒNG HỒ ĐO ĐA NĂNG
- NÚT NHẤN - ĐÈN BÁO - CÔNG TẮC
- RƠ LE -RELAY
- DỊCH VỤ
- PHỤ KIỆN CHO TỦ ĐIỆN
- BỘ CHUYỂN ĐỔI TÍN HIỆU
- NGUỒN – POWER SUPPLY
Mô đun xuất tín hiệu analog FX2N-2DA
Mô đun xuất tín hiệu analog FX2N-2DA với 2 kênh ngõ ra 4-20mA và 0-10VDC
Mô đun analog FX2N-2DA là module mở rộng chuyên dùng cho hệ thống PLC Mitsubishi dòng FX. Thiết bị có chức năng chuyển đổi tín hiệu số từ PLC thành tín hiệu analog để điều khiển các thiết bị như biến tần, van tuyến tính, bộ điều khiển nhiệt độ hoặc thiết bị đo lường trong hệ thống tự động hóa.
Với thiết kế nhỏ gọn, độ chính xác cao và khả năng tương thích tốt với nhiều dòng PLC Mitsubishi, FX2N-2DA được sử dụng rộng rãi trong các hệ thống điều khiển công nghiệp hiện đại.
-
FX2N-2DA
-
253
- Thông tin sản phẩm
- Bình luận
Tổng quan về mô đun FX2N-2DA
FX2N-2DA là module analog output thuộc dòng FX Series của Mitsubishi Electric. Module này thực hiện chuyển đổi giá trị số (digital) 12-bit từ PLC sang tín hiệu analog để điều khiển thiết bị ngoại vi.
Thiết bị cung cấp 2 kênh đầu ra analog, hỗ trợ cả tín hiệu điện áp và dòng điện, giúp hệ thống điều khiển hoạt động linh hoạt và chính xác hơn.
Chức năng chính
-
Chuyển đổi tín hiệu Digital sang Analog (D/A)
-
Điều khiển thiết bị analog trong hệ thống tự động
-
Mở rộng khả năng xử lý của PLC Mitsubishi
-
Tích hợp dễ dàng với hệ thống điều khiển công nghiệp
Thông số kỹ thuật mô đun FX2N-2DA
| Thông số | Giá trị |
|---|---|
| Model | FX2N-2DA |
| Số kênh analog | 2 kênh |
| Dải điện áp đầu ra | 0 – 10V DC hoặc 0 – 5V DC |
| Dải dòng điện đầu ra | 4 – 20mA |
| Độ phân giải | 12 bit |
| Tốc độ chuyển đổi | Khoảng 2.5 ms/kênh |
| Độ chính xác | ±1% full scale |
| Nguồn cấp | 5V DC từ PLC |
| Nhiệt độ hoạt động | 0 – 55°C |

Kích thước mô đun FX2N-2DA

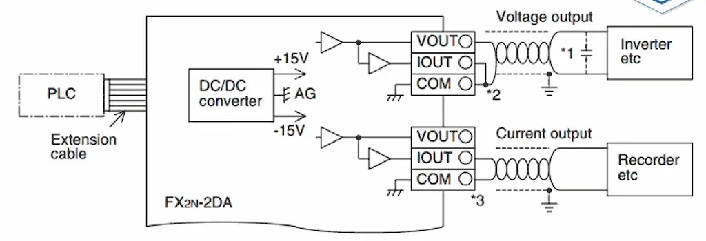
Sơ đồ mạch điều khiển mô đun FX2N-2DA

Chương trình mẫu mô đun FX2N-2DA
Module cho phép lựa chọn xuất tín hiệu điện áp hoặc dòng điện tùy theo phương thức đấu dây, đáp ứng nhiều yêu cầu điều khiển khác nhau trong công nghiệp.
Ưu điểm nổi bật của mô đun analog FX2N-2DA
1. Điều khiển tín hiệu analog chính xác
Module sử dụng độ phân giải 12-bit, cho phép điều khiển thiết bị analog với độ chính xác cao.
2. Hỗ trợ nhiều chuẩn tín hiệu
FX2N-2DA hỗ trợ các dạng tín hiệu phổ biến trong công nghiệp:
-
0–10V
-
0–5V
-
4–20mA
Điều này giúp module dễ dàng kết nối với nhiều thiết bị đo lường và điều khiển.
3. Tương thích nhiều dòng PLC Mitsubishi
Module có thể sử dụng với các dòng PLC như:
-
FX1N
-
FX2N
-
FX3U
-
FX3G
Nhờ vậy, việc mở rộng hệ thống điều khiển trở nên đơn giản và tiết kiệm chi phí.
4. Thiết kế nhỏ gọn, lắp đặt dễ dàng
FX2N-2DA có kích thước nhỏ gọn, gắn trực tiếp vào PLC thông qua thanh DIN hoặc khung module.
Ứng dụng của mô đun FX2N-2DA trong công nghiệp
Mô đun FX2N-2DA được ứng dụng rộng rãi trong nhiều lĩnh vực tự động hóa như:
-
Điều khiển tốc độ biến tần
-
Điều khiển van tuyến tính
-
Điều khiển nhiệt độ lò nung
-
Điều khiển máy đóng gói
-
Hệ thống băng tải và dây chuyền sản xuất
Module đóng vai trò quan trọng trong việc chuyển đổi tín hiệu điều khiển từ PLC sang thiết bị analog trong hệ thống sản xuất.
Vì sao nên chọn module FX2N-2DA Mitsubishi?
-
Thương hiệu Mitsubishi uy tín toàn cầu
-
Độ ổn định và độ bền cao
-
Dễ dàng tích hợp với hệ thống PLC
-
Độ chính xác cao trong điều khiển analog
-
Phù hợp nhiều ứng dụng công nghiệp
Nhờ các ưu điểm trên, FX2N-2DA là giải pháp tối ưu để mở rộng khả năng điều khiển analog cho hệ thống PLC Mitsubishi.









