- BIẾN TẦN
- BỘ LẬP TRÌNH PLC
- CẢM BIẾN
- MÀN HÌNH HMI
- MOTOR - DRIVER SERVO
- THIẾT BỊ ĐÓNG CẮT
- ĐỒNG HỒ ĐO ĐA NĂNG
- NÚT NHẤN - ĐÈN BÁO - CÔNG TẮC
- RƠ LE -RELAY
- DỊCH VỤ
- PHỤ KIỆN CHO TỦ ĐIỆN
- BỘ CHUYỂN ĐỔI TÍN HIỆU
- NGUỒN – POWER SUPPLY
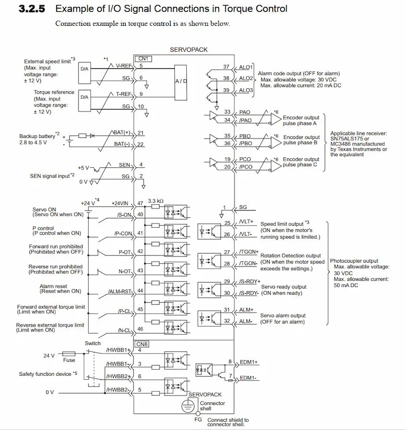
Bộ điều khiển Servo Yaskawa SGDV-7R6A01A 1kW 3 Pha AC200V - Điều Khiển Chính Xác Chuẩn Nhật
Giới thiệu bộ điều khiển servo Yaskawa SGDV-7R6A01A
SGDV-7R6A01A là bộ điều khiển (servo drive / servopack) thuộc dòng Sigma-5 (Σ-V) của hãng Yaskawa – thương hiệu hàng đầu thế giới về truyền động và điều khiển chuyển động.
Driver này có công suất 1kW, sử dụng nguồn 3 pha AC200V, chuyên dùng để điều khiển các động cơ servo Yaskawa trong các hệ thống tự động hóa yêu cầu độ chính xác cao.
-
SGDV-7R6A01A
-
24
- Thông tin sản phẩm
- Bình luận
Thông số kỹ thuật chính Driver servo Yaskawa SGDV-7R6A01A
| Thông số | Giá trị |
|---|---|
| Model | SGDV-7R6A01A |
| Dòng sản phẩm | Sigma-5 (Σ-V) |
| Công suất | 1 kW |
| Điện áp | 3 pha AC 200V |
| Loại điều khiển | Analog / Pulse |
| Giao tiếp | MECHATROLINK-II / III |
| Tần số đáp ứng | Lên đến 1.6 kHz |
| Encoder hỗ trợ | Tối đa 20-bit |
| Nhiệt độ hoạt động | 0 ~ 55°C |
| Độ ẩm | < 90% |
👉 Driver hỗ trợ điều khiển vị trí – tốc độ – moment, giúp tối ưu hiệu suất máy và giảm rung động.

Đặc điểm nổi bật Driver servo Yaskawa SGDV-7R6A01A
1. Công nghệ Sigma-5 – hiệu suất vượt trội
- Tốc độ xử lý cao
- Điều khiển mượt, giảm rung
- Độ chính xác cực cao
2. Đáp ứng nhanh (1.6kHz)
- Tăng tốc nhanh
- Giảm thời gian chu kỳ máy
- Nâng cao năng suất
3. Hỗ trợ nhiều giao thức truyền thông
- Analog / Pulse
- MECHATROLINK-II, III
- Dễ dàng kết nối PLC, CNC
4. Độ ổn định và độ bền cao
- Thiết kế chuẩn công nghiệp Nhật
- Hoạt động liên tục 24/7
- Ít lỗi, ít bảo trì



Ứng dụng thực tế driver servo Yaskawa SGDV-7R6A01A
Bộ điều khiển servo SGDV-7R6A01A được sử dụng rộng rãi trong:
- Máy CNC, máy phay, máy tiện
- Robot công nghiệp
- Máy đóng gói tốc độ cao
- Dây chuyền sản xuất tự động
- Máy in, máy cắt chính xác
👉 Với công suất 1kW, driver phù hợp cho các ứng dụng tải trung bình đến nặng.
So sánh nhanh với dòng Sigma-7
| Tiêu chí | SGDV (Sigma-5) | SGD7S (Sigma-7) |
|---|---|---|
| Hiệu năng | Cao | Rất cao |
| Độ chính xác | Rất tốt | Tốt hơn |
| Công nghệ | Cũ hơn | Mới nhất |
| Giá thành | Tốt | Cao hơn |
👉 Nếu cần tiết kiệm chi phí → chọn Sigma-5
👉 Nếu cần hiệu năng cao nhất → chọn Sigma-7
Một số lựa chọn tương đương
| Model | Công suất | Đặc điểm |
|---|---|---|
| Yaskawa SGD7S-7R6A30A Servo Drive | 1kW | Dòng Sigma-7 mới |
| Yaskawa SGDV-7R6A01A002000 Servo Drive | 1kW | Phiên bản tương đương |
| Used Yaskawa SGDV-7R6A01A Servo Controller | 1kW | Hàng đã qua sử dụng |
Kết luận về driver servo Yaskawa SGDV-7R6A01A
Bộ điều khiển servo Yaskawa SGDV-7R6A01A 1kW 3 pha AC200V là lựa chọn lý tưởng cho:
✔ Hệ thống CNC, robot, máy tự động
✔ Ứng dụng cần độ chính xác cao
✔ Doanh nghiệp cần độ ổn định lâu dài
👉 Đây là dòng servo driver chuẩn Nhật – bền bỉ – hiệu suất cao, rất đáng đầu tư cho hệ thống công nghiệp.









