BIẾN TẦN USFULL

ĐƯỢC THÀNH LẬP NĂM 2005 CÓ MẶT TẠI 90 QUỐC GIA

BIẾN TẦN ĐA NĂNG USFULL FU9000D SERIES

DỄ DÀNG LẮP ĐẶT VÀ SỬ DỤNG

BIẾN TẦN USFULL FU9000MD SERIES

BIẾN TẦN KÍCH THƯỚC NHỎ GỌN GIÁ CẢ VÔ CÙNG HẤP DẪN

Nguyên lý hoạt động và chẩn đoán sự cố
của biến tần điện tử công suất

GIỚI THIỆU TỔNG QUAN

Biến Tần (Inverter) nguyên lý hoạt động và chuẩn đoán lỗi

Biến tần (Inverter) — còn được gọi là bộ chuyển đổi nguồn điện hoặc biến tần — là một thiết bị điện tử có khả năng chuyển đổi hiệu quả dòng điện một chiều (DC) thành dòng điện xoay chiều (AC). Thiết bị này được cấu tạo từ ba bộ phận chính: cầu nghịch lưu, mạch điều khiển logic và bộ lọc. Mặc dù cấu trúc bên trong của bộ nghịch lưu khá phức tạp, nhưng các thành phần cốt lõi bao gồm giao diện đầu vào, mạch khởi động điện áp, các công tắc MOS, và bộ điều khiển xung PWM. Ngoài ra, mạch chuyển đổi DC, mạch phản hồi, mạch dao động LC, và mạch đầu ra cùng nhau tạo nên một hệ thống nghịch lưu hoàn chỉnh.


Dải công suất: 0.75Kw ~ 630 Kw.
Yêu cầu báo giá
Để được hỗ trợ nhanh nhất. Vui lòng gọi: 086.90.90.90.4
  • Miễn phí giao hàng nội thành TP. HCM.
  • Hỗ trợ lắp đặt.
Thương hiệu: USFULL
Bảo hành: 24 tháng
sns-automation

1.000+

Khách hàng trên toàn quốc
sns-automation

6+

Năm kinh nghiệm
sns-automation

2.000+

Kho hàng đa dạng sản phẩm
sns-automation

24H

Thời gian giao hàng nhanh chóng
  • Bảo hành 12 tháng
  • Hỗ trợ lắp đặt
  • Luôn có kỹ sư hỗ trợ 24/24

1. Các khái niệm cơ bản trong biến tần

  • AC: Dòng điện xoay chiều.
  • DC: Dòng điện một chiều.
  • T(Torque): Mô men xoắn của động cơ

Bộ biến tần: Chuyển đổi nguồn điện một chiều (như pin, pin mặt trời) thành nguồn điện xoay chiều (như sóng sin 220V, 50Hz) và cũng có thể điều chỉnh được tần số.

① Điều chỉnh dòng điện tốc độ thấp (Điều chỉnh mô-men xoắn)

    Đối với động cơ AC, mô-men xoắn điện từ T có thể được biểu thị như sau:

  • T=k*Iₐ * Iᵦ*sinθ
  • Iₐ và Iᵦ: Dòng điện hiệu dụng của cuộn dây stato (Iₐ) và cuộn dây rôto (Iᵦ) tương ứng;
  • θ: Độ lệch pha giữa dòng điện stato và dòng điện rôto;
  • k: Hằng số liên quan đến cấu trúc động cơ
  • Biến tần điều chỉnh biên độ và pha của dòng điện đầu ra để cung cấp đủ mô-men xoắn cho động cơ trong quá trình vận hành tốc độ thấp. Trong quá trình vận hành tốc độ thấp (chẳng hạn như khi động cơ lúc khởi động), động cơ cần tạo ra mô-men xoắn cao để thắng quán tính hoặc tải.

② Điều chỉnh tần số biến tần ở tốc độ cao (Điều khiển tốc độ)

    Theo công thức tốc độ động cơ n = 120xf/p (f là tần số, p là số cặp cực), biến tần đạt được khả năng điều khiển tốc độ chính xác bằng cách thay đổi tần số của nguồn điện xoay chiều đầu ra.

    Tại sao việc điều chỉnh dòng điện quan trọng hơn ở tốc độ thấp, trong khi tần số lại quan trọng hơn ở tốc độ cao?

    Ở tần số cao, điện áp bị giới hạn, do đó tốc độ được điều chỉnh theo tần số. Ở tốc độ thấp, từ thông phải được duy trì, do đó dòng điện được điều chỉnh để kiểm soát mô-men xoắn.

③ Nguyên lý hoạt động của Biến tần

    nguyên lý biến tần
  • S1, S2, S3 và S4 là bốn nhánh của mạch cầu. Bằng cách lần lượt bật và tắt các công tắc này, hướng và độ lớn của điện áp đầu ra sẽ thay đổi. Khi S1 và S4 đóng và S2 và S3 mở, nguồn điện một chiều Ud sẽ cấp điện áp từ trái sang phải cho tải (động cơ M). Ngược lại, khi S2 và S3 đóng và S1 và S4 mở, điện áp được cấp theo hướng ngược lại.
  • Bằng cách chuyển đổi trạng thái chuyển mạch nhanh chóng và định kỳ, một điện áp xoay chiều được tạo ra trên tải. Nếu việc chuyển mạch được lặp lại ở một tần số nhất định, điện áp xoay chiều có thể được mô phỏng. Ví dụ, chuyển đổi trạng thái chuyển mạch ở tần số 50Hz sẽ tạo ra đầu ra AC 50Hz.
  • Trong các ứng dụng thực tế, dạng sóng AC được tạo ra chỉ bằng cách chuyển mạch thường là sóng vuông. Để có được nguồn điện AC gần với sóng sin hơn, một mạch lọc được thêm vào. Mạch lọc này có thể loại bỏ các sóng hài bậc cao trong sóng vuông, làm cho dạng sóng đầu ra mượt mà hơn và gần với sóng sin hơn.
  • mạch nghịch lưu biến tần
  • Bộ điều khiển động cơ có sáu IGBT (công tắc điện tử công suất), mỗi IGBT có một diode mắc song song và ngược chiều với IGBT. Cực thu của cầu trên được nối với cực dương, cực phát của cầu dưới được nối với cực âm, và đường pha được nối ở giữa thành cầu.
  • mạch nghịch lưu biến tần
  • IGBT được bật và tắt bằng cách đưa tín hiệu điện áp vào cực cổng. Khi cực cổng có điện áp điều khiển dương, IGBT được bật và dòng điện có thể chạy từ cực thu đến cực phát; khi điện áp cực cổng bị mất hoặc âm, IGBT sẽ tắt.
  • mạch nghịch lưu biến tần mạch nghịch lưu biến tần
  • Tại các thời điểm khác nhau (t1, t2 và t3), dòng điện DC chạy qua các đường dẫn khác nhau vào các cuộn dây ba pha của động cơ (U, V và W) bằng cách điều khiển các mẫu dẫn điện của các thiết bị đóng cắt. Bằng cách điều khiển chu kỳ bật và tắt của các công tắc theo một mẫu cụ thể, điện áp xoay chiều hình sin với độ lệch pha 120° được tạo ra trên các cuộn dây ba pha của động cơ, tạo thành từ trường quay dẫn động động cơ ba pha.

④ Hiểu biết và thử nghiệm IGBT trong biến tần

    Tại sao mỗi IGBT lại được nối song song với một diode?

  • 1. Trong mạch biến tần, diode chủ yếu được sử dụng để chạy tự do. Do tính chất cảm ứng của tải, một điện áp ngược tự cảm cực cao được tạo ra trên IGBT tại thời điểm nó tắt. Điện áp này có khả năng làm hỏng IGBT. Diode song song sẽ làm ngắn mạch "điện áp ngược tự cảm" này, bảo vệ IGBT.
  • 2. Trong mạch chỉnh lưu, diode chủ yếu chỉnh lưu nguồn AC thành DC (gấp 1,35 lần điện áp đầu vào). IGBT trong mạch này chủ yếu cung cấp phản hồi.
  • 3. Chú thích về IGBT: IGBT là linh kiện bán dẫn công suất được điều khiển hoàn toàn bằng điện áp, bao gồm một BJT (transistor tiếp giáp lưỡng cực) và một MOS (transistor hiệu ứng trường cổng cách điện). IGBT có các đặc điểm sau: trở kháng đầu vào cao, tốc độ chuyển mạch cao và tổn hao trạng thái bật thấp. Kết hợp những ưu điểm của trở kháng đầu vào cao của MOSFET và độ sụt điện áp trạng thái bật thấp của GTR, IGBT mang lại những lợi thế đáng kể về hiệu suất tổng thể và rất phù hợp cho các ứng dụng trong hệ thống chuyển đổi điện áp DC có điện áp từ 600V trở lên, chẳng hạn như động cơ AC và bộ biến tần.
  • linh kiện công suất biến tần

⑤ Phát hiện IGBT và xác định vị trí lỗi trong biến tần

    Trước khi tìm hiểu cách phát hiện IGBT, trước tiên bạn cần hiểu nguyên lý cấu tạo của IGBT.

    cấu tạo IGBT biến tần
  • Cấu trúc IGBT là một thiết bị bán dẫn bốn lớp. Thiết bị này được tạo ra bằng cách kết hợp các transistor PNP và NPN theo cấu trúc PN/PN, cuối cùng tạo thành một cấu trúc IGBT bao gồm một transistor NMOS, một transistor PNP và một transistor NPN.
  • Khi một điện áp dương được đặt vào cực G, cực cổng tích điện dương sẽ hút các electron tự do trong chất bán dẫn loại P, tạo thành một kênh N. Transistor NMOS dẫn điện, và dòng điện cực thu chạy qua cực phát của transistor PNP đến cực gốc, sau đó qua tầng DS của transistor NMOS xuống đất. (Kênh thứ nhất).
  • Dòng điện cực phát của transistor PNP chạy đến cực gốc, làm đóng cực thu và cực phát của transistor PNP. (Kênh thứ hai)
  • Khi cực thu và cực phát của transistor PNP dẫn điện, một điện áp xuất hiện trên cực gốc của transistor NPN, làm đóng cực gốc của transistor NPN, làm đóng BE và CE. (Kênh thứ ba) Cuối cùng, IGBT chuyển sang trạng thái dẫn bão hòa. Do các thiết bị công suất như IGBT có một lượng điện dung tiếp giáp nhất định (là kết quả của các hiệu ứng kết hợp giữa cấu trúc vật lý bán dẫn và động lực học mạch), điều này có thể gây ra độ trễ trong quá trình bật và tắt thiết bị.
  • Mặc dù chúng tôi cố gắng giảm thiểu hiệu ứng này (tăng điện áp và dòng điện dẫn động cổng, triển khai mạch giải phóng điện dung tiếp giáp, v.v.), để ngăn độ trễ tắt gây ra hiện tượng bắn xuyên qua giữa các nhánh cầu trên và dưới, trong đó một nhánh cầu không được tắt hoàn toàn trong khi nhánh kia vẫn đang dẫn điện, hậu quả của hiện tượng bắn xuyên qua là cực kỳ nghiêm trọng (trường hợp xấu nhất là quá nhiệt).
  • Thời gian chết (thời gian nhàn rỗi) được thiết lập trong bộ điều khiển, thêm một cách giả tạo một khoảng thời gian tắt đồng thời giữa các nhánh cầu trên và dưới để đảm bảo an toàn cho người lái. Thời gian chết lớn hơn dẫn đến hoạt động của mô-đun đáng tin cậy hơn, nhưng nó cũng làm méo dạng sóng đầu ra và làm giảm hiệu suất đầu ra. Thời gian chết nhỏ hơn sẽ cải thiện dạng sóng đầu ra, nhưng làm giảm độ tin cậy. Thời gian chết thường nằm trong phạm vi micro giây, với giá trị điển hình trên 3 micro giây.
  • xung IGBT biến tần

⑥ Làm thế nào để đo IGBT?

    Trước khi đo IGBT, điện dung tiếp giáp (điện dung giữa cực cổng và cực phát) phải được xả. Ba chân của IGBT, từ trái sang phải, là cực cổng G, cực thu C và cực phát E.

    đo đạc IGBT biến tần đo đạc Mosfet biến tần
  • ① Đo diode thân giữa cực thu và cực phát (dẫn thuận, chặn ngược).
  • ② Kích hoạt IGBT: Đặt đồng hồ vạn năng vào khối điện trở, kết nối cực dương với cực thu và cực âm với cực phát. Ngắn mạch thủ công cực cổng và cực thu để sạc điện dung tiếp giáp, bật IGBT.
  • ③ Ngắn mạch thủ công cực cổng và cực phát để xả điện dung tiếp giáp, tắt IGBT.
  • ④ Điện áp chịu đựng IGBT: Sử dụng đồng hồ đo điện áp chịu đựng, kết nối cực dương với cực thu và ngắn mạch cực cổng và cực phát. Điện áp chịu đựng là 760V, đây là điện áp bình thường. (Việc ngắn mạch cực cổng và cực phát sẽ ngăn ngừa việc kích hoạt sai IGBT, có thể gây ra các phép đo không chính xác.)
  • đo đạc Mosfet biến tần đo đạc Mosfet biến tần

    Làm thế nào để đo mô-đun IGBT?

    đo đạc IGBT biến tần đo đạc IGBT biến tần
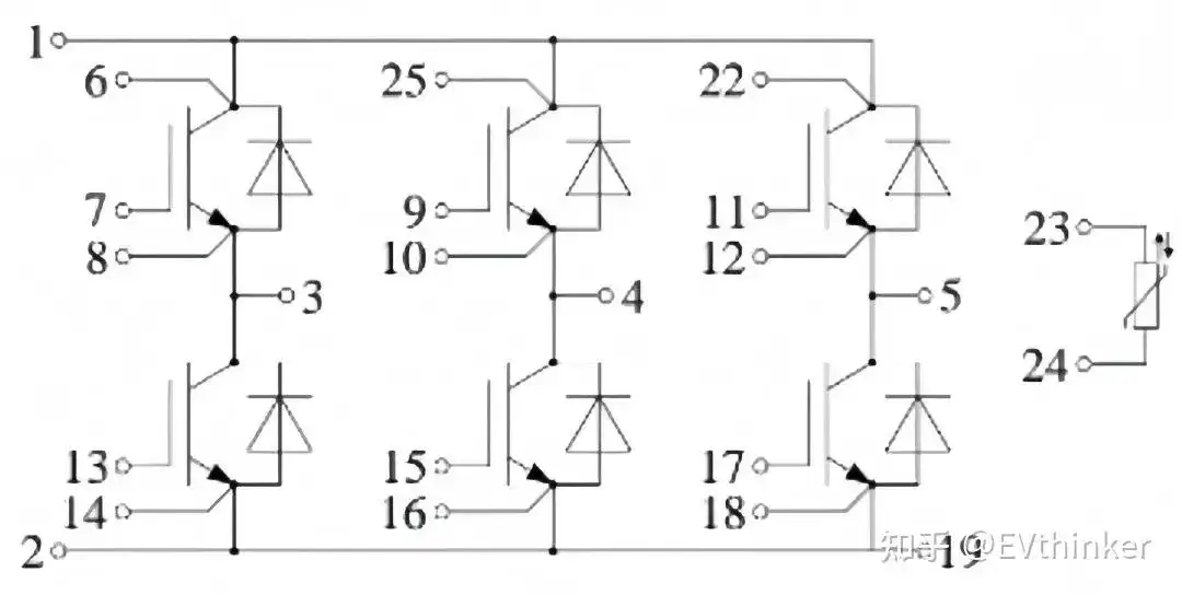
  • Khi bạn mua một mô-đun IGBT, hãy tìm model tương ứng và tra cứu thông tin sản phẩm thông qua mã. Mô-đun IGBT được hiển thị trong hình trên bao gồm 6 IGBT và một nhiệt điện trở. 1 là cực dương đầu vào DC, 2 là cực âm đầu vào DC, 3, 4, 5 lần lượt là đầu ra UVW, 7, 9, 11, 13, 15, 17 lần lượt là các cổng của 6 IGBT, và các chân còn lại là các điểm lấy mẫu điện áp. Làm thế nào để đo chất lượng của mô-đun IGBT này? Ví dụ 1 ① Đo chất lượng diode thân của 6 IGBT. Trước tiên, hãy đo cầu trên, độ dẫn điện, điện áp thường của IGBT.
  • đo đạc IGBT biến tần
  • Sau đó đo cầu dưới IGBT, nó được bật và bình thường
  • đo đạc IGBT biến tần
  • ②Đo xem việc kích hoạt 6 IGBT có bình thường không. Lấy cầu trên đầu tiên làm ví dụ, thêm điện áp dương vào cực cổng của chân 7. Chân 6 là điểm phát hiện bên trong của chân 1. Đoản mạch chân 6 và 7 để bật IGBT; chân 8 là điểm phát hiện bên trong của chân 3. Đoản mạch chân 8 và 7 để tắt IGBT. ③Đo xem điện áp chịu đựng của 6 IGBT có bình thường không. Trước khi đo điện áp chịu đựng, cần đoản mạch cực cổng và cực phát của 6 IGBT để tránh kích hoạt sai trong quá trình đo và ảnh hưởng đến kết quả đo.
  • đo đạc IGBT biến tần
  • Điện áp chịu đựng của cầu dưới
  • đo đạc IGBT biến tần
  • Điện áp chịu đựng nằm trong phạm vi bình thường và điện áp chịu đựng là bình thường. ④ Đo điện trở của nhiệt điện trở để xem nó có bình thường không. Trước khi tìm hiểu cách phát hiện IGBT, trước tiên bạn cần hiểu nguyên lý cấu tạo của IGBT.
  • đo đạc IGBT biến tần
  • Kiểm tra điện trở nhiệt điện trở xem có nằm trong phạm vi bình thường không. Ví dụ 2: ① Sử dụng đồng hồ vạn năng ở chế độ cài đặt độ sụt áp của ống để đo. Nếu đồng hồ vạn năng không hiển thị số đọc, hãy điều chỉnh đầu dò.
  • đo đạc IGBT biến tần
  • Đo cả sáu mức sụt áp diode không đảm bảo mô-đun IGBT hoạt động tốt. Sử dụng đồng hồ vạn năng để đo mức sụt áp diode không thể xác định chính xác các lỗi như đánh thủng IGBT hoặc đánh thủng mềm. Làm thế nào để biết cực nào của IGBT là cực dương điện áp cao và cực nào là cực âm điện áp cao? Hãy sử dụng cài đặt mức sụt áp diode của đồng hồ vạn năng. Khi phát hiện sụt áp, dây đo màu đen sẽ tương ứng với cực dương điện áp cao. Mức sụt áp được hiển thị trong hình dưới đây biểu thị mức sụt áp của hai diode mắc nối tiếp.
  • đo đạc IGBT biến tần
  • Lỗi quá dòng pha IGBT (có thể do điện áp chịu đựng của cực thu và cực phát thấp khi transistor tắt) thường biểu hiện dưới dạng không thể nhận được nguồn điện áp cao, mất điện sau khi có thể nhận được nguồn điện hoặc mất điện sau khi có thể nhận được nguồn điện và sau đó chuyển số và bắt đầu lái xe. ① Khi IGBT tắt, hãy sử dụng đồng hồ đo cách điện để đo các giá trị cách điện của cực dương điện áp cao, cực âm điện áp cao và các pha UVW với đất.
  • đo đạc IGBT biến tần
  • ②Đo điện áp chịu đựng của cực thu và cực phát khi IGBT tắt. Điện áp chịu đựng danh định của IGBT là 750V (tiêu chuẩn tối thiểu). Sáu IGBT được đo riêng biệt và kết quả như sau:
  • đo đạc IGBT biến tần
  • Điện áp chịu đựng của cánh tay dưới
  • đo đạc IGBT biến tần
  • Áp lực kết hợp của tường cầu trên và dưới
  • đo đạc IGBT biến tần
  • Các thành cầu trên và dưới ở phía bên phải được đặt ở vị trí đánh thủng mềm. Lưu ý: Thông thường, cực cổng và cực phát nên được nối tắt. Đối với các mô-đun IGBT, có các điện trở cắt bên trong, do đó không cần nối tắt.

TRẢI NGHIỆM DỊCH VỤ CỦA SNS AUTOMATION CO.,LTD

  • Về sản phẩm: Giá cả vô cùng cạnh tranh, chất lượng đảm bảo.
  • Kho hàng: lớn, đa dạng sản phẩm, biến tần công suất lên tới 630Kw.
  • Hỗ trợ lắp đặt: Đội ngũ kỹ thuật giàu kinh nghiệm sẵn sàng hỗ trợ lắp đặt.
  • Chính sách bảo hành: Bảo hành 24 tháng đối với biến tần USFULL, 12 tháng với sản phẩm khác.

Quý khách chỉ cần gọi số Hotline: 086.90.90.90.4 hoặc chat để trò chuyện trực tiếp với chuyên viên tư vấn bên góc phải màn hình của bạn.
SNS AUTOMATION CO., LTD luôn sẵn sàng để hỗ trợ nhanh nhất!

SẢN PHẨM KINH DOANH

biến tần giá rẻ

Biến tần kinh tế USFULL

plc mitsubishi

Bộ lập trình PLC Mitsubishi

màn hình hmi

Màn hình HMI MCGS

thiết bị đóng cắt

Cầu giao khối MCCB IEK

rơ le kính

Nguồn 24VDC & Rơ le trung gian

cầu đấu Degson

Phụ kiện cầu đấu

SNS AUTOMATION

Bạn cần hỗ trợ !

SNS AUTOMATION Với đội ngũ kĩ thuật giàu kinh nghiệm.
Sẵn sàng hỗ trợ khách hàng

Thiết bị điện

Tìm kiếm sản phẩm

Bạn cần tìm kiếm sản phẩm: Biến tần, cảm biến, PLC, phụ kiện ngành điện...
Vui lòng gõ vào đây nhé

vị trí

Vị trí công ty

Lầu 17 Tòa nhà Sen Hồng A12 QL1A, Bình Chiểu, Thủ Đức, Thành phố Hồ Chí Minh
Dưới lây là liên kết vị trí bản đồ Map

Biến tần trung quốc giá rẻ

Nhận yêu cầu từ KH

Bạn muốn yêu cầu báo giá
Vui lòng nhập thông tin của bạn gồm: Tên, SĐT, Tên công ty, Mã hàng tại đây

Degson
Mitsubishi
Autonics
Samwon
Pisco
HIMEL
SNS AUTOMATION