BIẾN TẦN THƯƠNG HIỆU MEGMEET

THƯƠNG HIỆU HÀNG ĐẦU TẠI THỊ TRƯỜNG TRUNG QUỐC

BIẾN TẦN MEGMEET MV820
HIỆU SUẤT MẠNH MẼ - TỐI ƯU ĐIỀU KHIỂN ĐỘNG CƠ

TỔNG QUAN SẢN PHẨM

Biến tần MEGMEET MV820

MV820 áp dụng giải pháp truyền động tiên tiến, tích hợp truyền động động cơ đồng bộ và động cơ không đồng bộ, điều khiển mô-men xoắn và điều khiển tốc độ, đồng thời sở hữu các chỉ số truyền động hàng đầu, đáp ứng được nhiều nhu cầu yêu cầu hiệu suất cao. Bên cạnh đó, MV820 còn có khả năng chống sự cố vượt trội và khả năng thích ứng mạnh mẽ với các môi trường khắc nghiệt như nguồn điện kém, nhiệt độ cao, độ ẩm cao hoặc nhiều bụi, từ đó nâng cao đáng kể độ tin cậy.

MV820 hỗ trợ mở rộng theo mô-đun, cho phép bạn linh hoạt bổ sung các mô-đun tùy theo nhu cầu riêng. Ngoài ra, MV820 còn tích hợp các công nghệ VF, SVC và FVC tiên tiến cho điều khiển tốc độ và mô-men xoắn, điều khiển quá trình vòng kín, ngõ vào/ngõ ra đa chức năng, tham chiếu xung tần số, PLC đơn giản, điều khiển tham chiếu chính/phụ, điều khiển master-slave... đáp ứng đầy đủ cho nhiều kịch bản truyền động, giúp giảm chi phí hệ thống và nâng cao độ tin cậy tổng thể.


Công suất: 0.4Kw ~ 220Kw
Yêu cầu báo giá
Để được hỗ trợ nhanh nhất. Vui lòng gọi: (+84)86.90.90.90.4
  • Miễn phí giao hàng nội thành TP. HCM.
  • Hỗ trợ lắp đặt.
Thương hiệu: MEGMEET
Bảo hành: 2 năm

1.000+

Khách hàng trên toàn quốc

6+

Năm kinh nghiệm

2.000+

Kho hàng đa dạng sản phẩm

24H

Thời gian giao hàng nhanh chóng
  • Bảo hành 5 năm
  • Hỗ trợ lắp đặt
  • Luôn có kỹ sư hỗ trợ 24/24

Điểm mạnh của biến tần MEGMEET

  • Đa dạng dải công suất và chủng loại: MEGMEET cung cấp nhiều dòng biến tần phù hợp với mọi ứng dụng từ dân dụng đến công nghiệp nặng.
  • Hiệu suất ổn định - Tiết kiệm năng lượng: Sản phẩm được tối ưu hóa để giúp động cơ hoạt động êm ái, tiết kiệm điện và tăng tuổi thọ thiết bị.
  • Chứng nhận chất lượng quốc tế: Biến tần MEGMEET đạt nhiều chứng chỉ uy tín như CE, UL, RoHS, STO - đảm bảo an toàn, độ tin cậy và thân thiện với môi trường.
  • Tích hợp nhiều chức năng điều khiển thông minh: Hỗ trợ các giao thức truyền thông hiện đại như Modbus, CANopen, Profibus…, dễ dàng kết nối với các hệ thống tự động hóa.

Mã sản phẩm biến tần MEGMEET MV820:

Mã sản phẩm Thông số Thông tin thêm

MV820G1-2S0.4B

Công suất 0.4KW

Điện áp 1 Pha AC220V ra 3 Pha AC220V

MV820G1-2S0.75B

Công suất 0.75KW

Điện áp 1 Pha AC220V ra 3 Pha AC220V

MV820G1-2S1.5B

Công suất 1.5KW

Điện áp 1 Pha AC220V ra 3 Pha AC220V

MV820G1-2S2.2B

Công suất 2.2KW

Điện áp 1 Pha AC220V ra 3 Pha AC220V

MV820G1-2T3.7B

Công suất 3.7KW

Điện áp AC220V ra 3 Pha AC220V

MV820G1-2T5.5B

Công suất 5.5KW

Điện áp AC220V ra 3 Pha AC220V

MV820G1-2T7.5B

Công suất 7.5KW

Điện áp AC220V ra 3 Pha AC220V

MV820G1-4T0.75B

Công suất 0.75KW

Điện áp 3 Pha AC380V ra 3 Pha AC380V

MV820G1-4T1.5B

Công suất 1.5KW

Điện áp AC380V ra 3 Pha AC380V

MV820G1-4T2.2B

Công suất 2.2KW

Điện áp AC380V ra 3 Pha AC380V

MV820G1-4T3.7B

Công suất 3.7KW

Điện áp AC380V ra 3 Pha AC380V

MV820G1-4T5.5B

Công suất 5.5KW

Điện áp AC380V ra 3 Pha AC380V

MV820G1-4T7.5B

Công suất 7.5KW

Điện áp AC380V ra 3 Pha AC380V

MV820G1-4T11B

Công suất 11KW

Điện áp AC380V ra 3 Pha AC380V

MV820G1-4T15B

Công suất 15KW

Điện áp AC380V ra 3 Pha AC380V

MV820G1-4T18.5B

Công suất 18.5KW

Điện áp AC380V ra 3 Pha AC380V

MV820G1-4T22B

Công suất 22KW

Điện áp AC380V ra 3 Pha AC380V

MV820G1-4T30B

Công suất 30KW

Điện áp AC380V ra 3 Pha AC380V

MV820G1-4T37B

Công suất 37KW

Điện áp AC380V ra 3 Pha AC380V

MV820G1-4T45B

Công suất 45KW

Điện áp AC380V ra 3 Pha AC380V

MV820G1-4T55B

Công suất 55KW

Điện áp AC380V ra 3 Pha AC380V

MV820G1-4T75B

Công suất 75KW

Điện áp AC380V ra 3 Pha AC380V

MV820G1-4T90B

Công suất 90KW

Điện áp AC380V ra 3 Pha AC380V

MV820G1-4T110B

Công suất 110KW

Điện áp AC380V ra 3 Pha AC380V

MV820G1-4T132T

Công suất 132KW

Điện áp AC380V ra 3 Pha AC380V

MV820G1-4T160T

Công suất 160KW

Điện áp AC380V ra 3 Pha AC380V

MV820G1-4T185T

Công suất 185KW

Điện áp AC380V ra 3 Pha AC380V

MV820G1-4T200T

Công suất 200KW

Điện áp AC380V ra 3 Pha AC380V

MV820G1-4T220T

Công suất 220KW

Điện áp AC380V ra 3 Pha AC380V

Ứng dụng phổ biến của biến tần MEGMEET

  • Ngành dệt may: Điều khiển chính xác tốc độ máy dệt, máy cuộn, máy in vải.
  • Ngành bao bì & in ấn: Dùng cho máy cắt, máy ép, máy in tốc độ cao.
  • Ngành nhựa & cao su: Vận hành máy ép nhựa, máy trộn, máy kéo sợi.
  • Ngành hóa chất & dược phẩm: Điều khiển bơm, máy khuấy, hệ thống phối liệu.
  • Ngành khai thác mỏ & luyện kim: Dùng cho băng tải, quạt hút, máy nghiền.
  • Thang máy, thang cuốn, cẩu trục: Điều khiển mềm mại, chống sốc tải, an toàn cao.
  • HVAC & tự động hóa tòa nhà: Ứng dụng cho quạt, bơm, hệ thống điều hòa trung tâm.

TRẢI NGHIỆM DỊCH VỤ CỦA SNS AUTOMATION CO.,LTD

  • Về sản phẩm: Giá cả vô cùng cạnh tranh, chất lượng đảm bảo.
  • Kho hàng: lớn, đa dạng sản phẩm, biến tần công suất lên tới 300Kw có sẵn.
  • Hỗ trợ lắp đặt: Đội ngũ kỹ thuật giàu kinh nghiệm sẵn sàng hỗ trợ lắp đặt.
  • Chính sách bảo hành: Bảo hành 24 tháng đối với thương hiệu MEGMEET

CÁCH ĐẶT TÊN BIẾN TẦN MEGMEET MV820

đặt tên biến tần MEGMEET mv820

THÔNG SỐ BIẾN TẦN MEGMEET MV820

thông số biến tần MEGMEET mv820

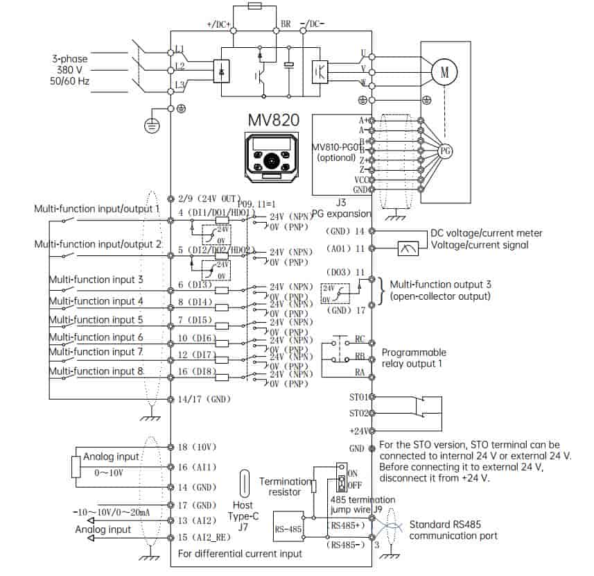
SƠ ĐỒ MẠCH ĐIỀU KHIỂN BIẾN TẦN MEGMEET MV820

sơ đồ mạch điều khiển biến tần MEGMEET MV820

Quý khách chỉ cần gọi số Hotline: 086.90.90.90.4 hoặc chat để trò chuyện trực tiếp với chuyên viên tư vấn bên góc phải màn hình của bạn.
SNS AUTOMATION CO., LTD luôn sẵn sàng để hỗ trợ nhanh nhất!

SẢN PHẨM KINH DOANH

biến tần giá rẻ

Biến tần kinh tế USFULL

plc mitsubishi

Bộ lập trình PLC Mitsubishi

Dattech

Màn hình HMI MCGS

Dattech

Cầu giao khối MCCB IEK

Dattech

Nguồn 24VDC & Rơ le trung gian

Dattech

Phụ kiện cầu đấu

SNS AUTOMATION

Bạn cần hỗ trợ !

SNS AUTOMATION Với đội ngũ kĩ thuật giàu kinh nghiệm.
Sẵn sàng hỗ trợ khách hàng

Thiết bị điện

Tìm kiếm sản phẩm

Bạn cần tìm kiếm sản phẩm: Biến tần, cảm biến, PLC, phụ kiện ngành điện...
Vui lòng gõ vào đây nhé

Vị trí công ty

Lầu 17 Tòa nhà Sen Hồng A12 QL1A, Bình Chiểu, Thủ Đức, Thành phố Hồ Chí Minh
Dưới lây là liên kết vị trí bản đồ Map

Biến tần trung quốc giá rẻ

Nhận yêu cầu từ KH

Bạn muốn yêu cầu báo giá
Vui lòng nhập thông tin của bạn gồm: Tên, SĐT, Tên công ty, Mã hàng tại đây

Degson
Mitsubishi
Autonics
Samwon
Pisco
HIMEL
SNS AUTOMATION