PLC THƯƠNG HIỆU OMRON

ĐẾN NHẬT BẢN THƯƠNG HIỆU NỔI TIẾNG TỚI TỪ NHẬT BẢN.

CẢM BIẾN OMRON

CẢM BIẾN TIỆM CẬN - CẢM BIẾN QUANG

ROBOT OMRON

CÁNH TAY ROBOT SÁU TRỤC

EE-SX671-WR 1M CẢM BIẾN QUANG ĐIỆN CHỮ U
THU PHÁT RIÊNG - NGÕ RA NPN

GIỚI THIỆU TỔNG QUAN

Cảm biến quang điện chữ U EE-SX671-WR 1M thương hiệu Omron

Cảm biến quang Omron EE-SX671-WR 1M là loại cảm biến khe quang (slot type) có khe rộng 5 mm, hoạt động ở dải điện áp 5 – 24 V DC và sử dụng ngõ ra NPN open-collector. Cảm biến có sẵn dây nối dài 1 m, hỗ trợ lựa chọn chế độ Light-ON hoặc Dark-ON, giúp linh hoạt khi tích hợp vào các mạch điều khiển khác nhau. Với dòng tải tối đa 100 mA và khả năng làm việc ổn định trong khoảng nhiệt độ từ -25 °C đến +55 °C, thiết bị này phù hợp cho nhiều ứng dụng công nghiệp hoặc tự động hóa yêu cầu phát hiện vật thể đi qua khe hẹp.

Nhờ cấu tạo nhỏ gọn, độ nhạy cao và khả năng hoạt động ổn định, EE-SX671-WR 1M thường được sử dụng trong các hệ thống đếm sản phẩm, xác định vị trí, hoặc giám sát chuyển động cơ cấu trong máy móc. Khi sử dụng, cần đảm bảo vật thể đi qua đúng vị trí khe quang và môi trường làm việc sạch sẽ để tránh sai lệch do bụi bẩn. Ngoài ra, do ngõ ra dạng open-collector, người dùng nên sử dụng điện trở kéo lên hoặc mạch đệm phù hợp khi kết nối với PLC hoặc vi điều khiển, nhằm đảm bảo tín hiệu chính xác và bảo vệ linh kiện điều khiển.


Cảm biến quang: Chữ U
Yêu cầu báo giá
Để được hỗ trợ nhanh nhất. Vui lòng gọi: 086.90.90.90.4
  • Miễn phí giao hàng nội thành TP. HCM.
  • Hỗ trợ lắp đặt.
Thương hiệu: OMRON
Bảo hành: 12 tháng
dịch vụ sns automation

1.000+

Khách hàng trên toàn quốc
dịch vụ sns automation

6+

Năm kinh nghiệm
dịch vụ sns automation

2.000+

Kho hàng đa dạng sản phẩm
kho hàng sns automation

24H

Thời gian giao hàng nhanh chóng
  • Bảo hành 24 tháng
  • Hỗ trợ lắp đặt
  • Luôn có kỹ sư hỗ trợ 24/24

Thông số sản phẩm:

Đặc tính kỹ thuật

Thông số

Thông tin thêm

EE-SX671-WR

Cảm biến Omron

Cảm biến hình chữ U, có đèn led hiện thị

Nguồn cấp

5...24VDC

Nguồn cấp 5 ~ 24VDC

Chiều rộng khe/rãnh

5mm

Chiều rộng khe/rãnh 5mm

Tần số đóng/mở

3kHz

Tần số đóng/mở 1kHz

Kiểu ngõ ra

NPN

Ngõ ra open collector NPN

Cách nhận biết vật

Through-beam

Dạng nhận biết vật bằng 1 đầu phát và 1 đầu thu

Khối lượng

Gam

17.3 g

Chiều dài cáp

1 mét

Chiều dài cáp 1 mét

Ứng dụng phù hợp

  • Kích thước khe 5 mm: phù hợp để phát hiện vật thể nhỏ hoặc việc đi qua khe/hộp điều khiển.
  • Khoảng điện áp rộng (5-24V) thuận tiện cho tích hợp với nhiều bảng mạch PLC, vi điều khiển hoặc hệ thống giám sát.
  • Đầu ra NPN và hỗ trợ lựa chọn Dark/Light ON: linh hoạt cho nhiều kiểu logic.
  • Dây nối 1m sẵn giúp dễ lắp đặt mà không cần kéo dây riêng dài hơn.

TRẢI NGHIỆM DỊCH VỤ CỦA SNS AUTOMATION CO.,LTD

  • Về sản phẩm: Giá cả vô cùng cạnh tranh, chất lượng đảm bảo.
  • Kho hàng: lớn, đa dạng sản phẩm, biến tần công suất lên tới 630Kw.
  • Hỗ trợ lắp đặt: Đội ngũ kỹ thuật giàu kinh nghiệm sẵn sàng hỗ trợ lắp đặt.
  • Chính sách bảo hành: Bảo hành 24 tháng đối với biến tần USFULL, 12 tháng với sản phẩm khác.

SƠ ĐỒ ĐẤU NỐI CẢM BIẾN EE-SX671-WR 1M

sơ đồ mạch điều khiển EE-SX671-WR 1M

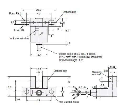
KÍCH THƯỚC CẢM BIẾN EE-SX671-WR 1M

kích thước EE-SX671-WR 1M

Quý khách chỉ cần gọi số Hotline: 086.90.90.90.4 hoặc chat để trò chuyện trực tiếp với chuyên viên tư vấn bên góc phải màn hình của bạn.
SNS AUTOMATION CO., LTD luôn sẵn sàng để hỗ trợ nhanh nhất!

SẢN PHẨM KINH DOANH

biến tần giá rẻ

Biến tần kinh tế USFULL

plc mitsubishi

Bộ lập trình PLC Mitsubishi

màn hình hmi

Màn hình HMI MCGS

thiết bị đóng cắt

Cầu giao khối MCCB IEK

rơ le trung gian

Nguồn 24VDC & Rơ le trung gian

cầu đấu dây

Phụ kiện cầu đấu

SNS AUTOMATION

Bạn cần hỗ trợ !

SNS AUTOMATION Với đội ngũ kĩ thuật giàu kinh nghiệm.
Sẵn sàng hỗ trợ khách hàng

Thiết bị điện

Tìm kiếm sản phẩm

Bạn cần tìm kiếm sản phẩm: Biến tần, cảm biến, PLC, phụ kiện ngành điện...
Vui lòng gõ vào đây nhé

Vị trí công ty

Lầu 17 Tòa nhà Sen Hồng A12 QL1A, Bình Chiểu, Thủ Đức, Thành phố Hồ Chí Minh
Dưới lây là liên kết vị trí bản đồ Map

Biến tần trung quốc giá rẻ

Nhận yêu cầu từ KH

Bạn muốn yêu cầu báo giá
Vui lòng nhập thông tin của bạn gồm: Tên, SĐT, Tên công ty, Mã hàng tại đây

Degson
Mitsubishi
Autonics
Samwon
Pisco
HIMEL
SNS AUTOMATION